解决方案
针对行业应用,提供一站式解决方案
查看详情
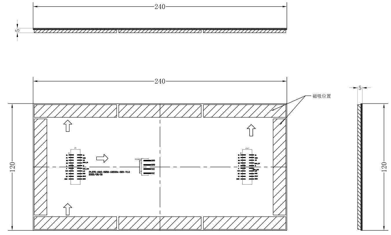
MW7220-M@S
点间距2.0mm户内模组
软性PCB板线路设计,轻便超薄,弯曲度好
模组宽高比2:1,中心弯弧角度120°,灵活安装
吸附磁铁可以精准调节模组间拼接的平面度
显示效果无颗粒状,匀色性较好,无马赛克现象
可任意区域显示,可视范围大,显示图像柔和,像素密度大
多层电路板结构设计,电流分布均匀,功耗小、散热快,可靠性高
可在正面拆卸、安装,模组支持前/后维护
采用高亮哑黑LED灯珠,高对比度、高可靠性,混色性能极好,低衰减
支持亮度与色彩逐点校正,显示单元整体一致性和均匀性优
